产品概述:YXQ型油流发讯器用于稀油润滑系统。通过它可直观地观察到油流流动状况并可通过其发讯装置发出油量不足或断流信号,从而实现远距
|
型号
|
公称通径
DN |
公称压力
Mpa |
连接螺纹
d |
L
|
D
|
H
|
h
|
B
|
D1
|
S
|
重量
kg |
|
YXQ-10
|
10
|
0.4
|
G3/8"
|
136
|
80
|
71
|
30
|
75
|
47.3
|
41
|
2.1
|
|
YXQ-15
|
15
|
0.4
|
G1/2"
|
136
|
80
|
71
|
30
|
75
|
47.3
|
41
|
2.1
|
|
YXQ-20
|
20
|
0.4
|
G3/4"
|
136
|
80
|
71
|
30
|
75
|
52
|
47
|
3.5
|
|
YXQ-25
|
25
|
0.4
|
G1"
|
160
|
100
|
96
|
35
|
85
|
60
|
52
|
3.8
|
|
YXQ-32
|
32
|
0.4
|
G1 1/4"
|
160
|
100
|
101
|
40
|
85
|
66
|
58
|
4.2
|
|
YXQ-40
|
40
|
0.4
|
G1 1/2"
|
190
|
110
|
101
|
45
|
90
|
76
|
66
|
4.5
|
|
YXQ-50
|
50
|
0.4
|
G2"
|
200
|
110
|
112
|
50
|
90
|
92
|
80
|
4.8
|
|
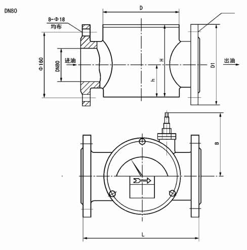
YXQ-80
|
80
|
0.4
|
法兰DN80
|
200
|
170
|
190
|
80
|
~140
|
Φ200
|
Φ200
|
~9.8
|

型号说明:


|
通径
|
DN10~50、80
|
|||
|
参数
|
||||
|
开关型式
|
交流二线制90~250V
|
直流二线制10~30V
|
直流三线制6~30V(NPN型)
|
直流三线制6~30V(PNP型)
|
|
应用场合
|
带动交流线圈、交流信号灯等
|
带动直流线圈、直流信号灯等
|
输入PLC(输入模块为NPN型)
|
输入PLC(输入模块为PNP型)
|
|
输出形式
|
常开
|
常开
|
常开
|
常开
|
|
输出电流
|
3~100mA
|
5~40mA
|
0~200mA
|
0~200mA
|
|
漏电流
|
1r≤2mA
|
1r≤0.8mA
|
1r≤0.4mA
|
1r≤0.4mA
|
|
开关压降
|
Ud≤3V
|
Ud≤3V
|
Ud≤0.1Vcc
|
Ud≤0.1Vcc
|
|
接线图
|
![]() |
![]() |
![]() |
![]() |